Philips HF-R 136 TL-D EII 220-240V
- Gratis verzending vanaf € 200 incl. BTWGratis verzending vanaf € 165 excl. BTW
- Zakelijke klant? Koop op rekening
- Gemakkelijk retourneren binnen 14 dagen
Specificaties
|
i
De aanbevolen hoeveelheid verwijst naar het aantal producten dat door de fabrikant is voorverpakt. Wanneer je deze hoeveelheid koopt, leveren wij de producten in het originele pakket van de fabrikant.
|
Aantal in omdoos | 12 |
|---|
| Artikelnummer | 151438 | |
|---|---|---|
| EAN | 8711500910134 | |
| Merk | Philips | |
| Fabrikantnaam | HF-R 136 TL-D EII 220-240V 50/60Hz | |
|
i
Iedere lamp of armatuur is voorzien van energielabel A t/m G. Energielabel A is het meest efficiënt en G het minst efficiënt. LED verlichting is de meest duurzame verlichtingstechniek. Zelfs als LED's label E of lager hebben, besparen ze nog 70% aan energie ten opzichte van conventionele verlichting met hetzelfde energielabel. Dus waarom hetzelfde label? Om LED merken te motiveren nog duurzamer te worden. |
Energielabel | A |
|
i
Onze All-in garantie is volledig in de productprijs inbegrepen en dekt zowel verborgen gebreken als technische gebreken van het product die zijn opgetreden vóór levering. De garantietermijn verschilt per product en loopt uiteen van 1 jaar tot maximaal 7 jaar.
|
Lampdirect All-in garantie | 1 jaar |
|
i
De techniek geeft de werkingsbasis van een lichtbron aan. Het meest bekende en energiezuinige voorbeeld hiervan is LED. Andere technieken zijn onder andere halogeen, gasontlading, TL (fluorescerend) en de gloeilamp.
|
Techniek | Accessoire |
|---|---|---|
|
i
Het wattage geeft weer hoeveel energie een LED lamp, LED armatuur of conventionele lichtbron verbruikt tijdens het verlichten. Bij LED verlichting is het aantal Watt aanzienlijk lager dan bij conventionele verlichting.
|
Watt | 0 |
|
i
Een voorschakelapparaat (VSA) wordt ook wel ballast genoemd en kun je zien als een energieregulator die verlichting laat branden. Zit er een starter in het armatuur? Dan is er sprake van een conventioneel VSA (EM). In armaturen met een elektronisch VSA (HF) is geen starter aanwezig. Een LED driver kun je vergelijken met een elektronisch VSA en werkt alleen bij LED verlichting.
|
Voorschakelapparaat | Elektronisch (HF) zonder starter |
| VSA voor lamptype | TL-D | |
|
i
De levensduur is een indicatie van het aantal uur dat een product mee gaat. Het gaat hierbij alleen om de uren dat het product daadwerkelijk aan staat. Bij LED verlichting ligt de levensduur aanzienlijk hoger dan bij conventionele verlichting. LED verlichting gaat dus veel langer mee. Hoe lang je een product daadwerkelijk kunt gebruiken, ligt aan de mate van het (dagelijks) gebruik.
|
Levensduur (uur) | 0 |
| Maximale Wattage Lamp | 36 | |
| Geschikt voor lamptype | TL-D | |
|
i
Wanneer je verlichting dimt, hoeft er niet het volledige vermogen te worden gebruikt. Je bespaart daardoor dus extra aan energiekosten. Ook kun je met dimbare lampen een extra gezellige sfeer creëren. Hou er rekening mee dat je voor het dimmen van LED verlichting een LED dimmer nodig hebt. Meer weten over het dimmen van verlichting? Lees dan onze blog.
|
Dimbaar | Niet Dimbaar |
| Armatuur Aansluiting | Wago 251 | |
| Aantal lichtpunten | 1 | |
| Type product | Accessoires - VSA TL Buizen |
| EOC8 | 91013430 | |
|---|---|---|
| Product Serie | HF-Regulator |
|
i
Verlichting met een sensor brandt enkel wanneer deze een bepaald signaal krijgt. Dit zorgt voor minder energiekosten. De (ingebouwde) sensoren reageren op duisternis (schemerschakelaar) en/of op beweging (bewegingssensor).
|
Sensortype | Geen sensor |
|---|
Beschrijving Philips HF-R 136 TL-D EII 220-240V
De Philips HF-R 136 TL-D EII 220-240V 50/60Hz tegen de beste prijs bij Lampdirect! Philips 1e keus in grote hoeveelheden en tegen aanzienlijke kortingen! Aarzel niet om ons te contacteren!
Kenmerken Philips HF-R 136 TL-D EII 220-240V 50/60Hz
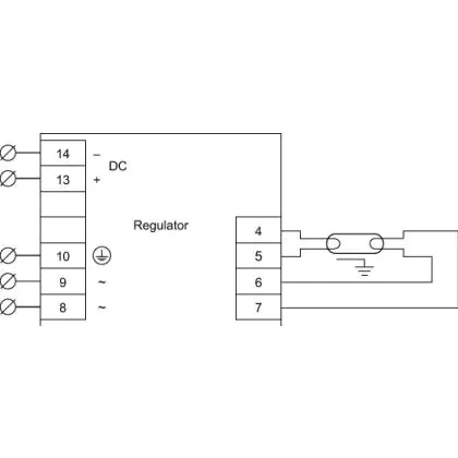
Door de SmartPower van de Philips HF-Regulator TL-D, wordt er constant licht verzekerd, onafhankelijk van fluctuaties in de netspanning. Tevens wordt het stopcircuit binnen 5 seconden geactiveerd, zodra een lamp defect raakt (veiligheidstop). Het voorschakelapparaat reset zich automatisch na lampvervanging.
De Philips HF-R 136 TL-D EII 220-240V 50/60Hz heeft de mogelijkheid om 1 lamp aan te sluiten.
Iedere lamp of armatuur is voorzien van energielabel A t/m G. Energielabel A is het meest efficiënt en G het minst efficiënt. LED verlichting is de meest duurzame verlichtingstechniek. Zelfs als LED's label E of lager hebben, besparen ze nog 70% aan energie ten opzichte van conventionele verlichting met hetzelfde energielabel. Dus waarom hetzelfde label? Om LED merken te motiveren nog duurzamer te worden.